2003 Pt Cruiser Engine Diagram : Solved 2002 Pt Cruiser Belt Replacement Diagram Fixya :

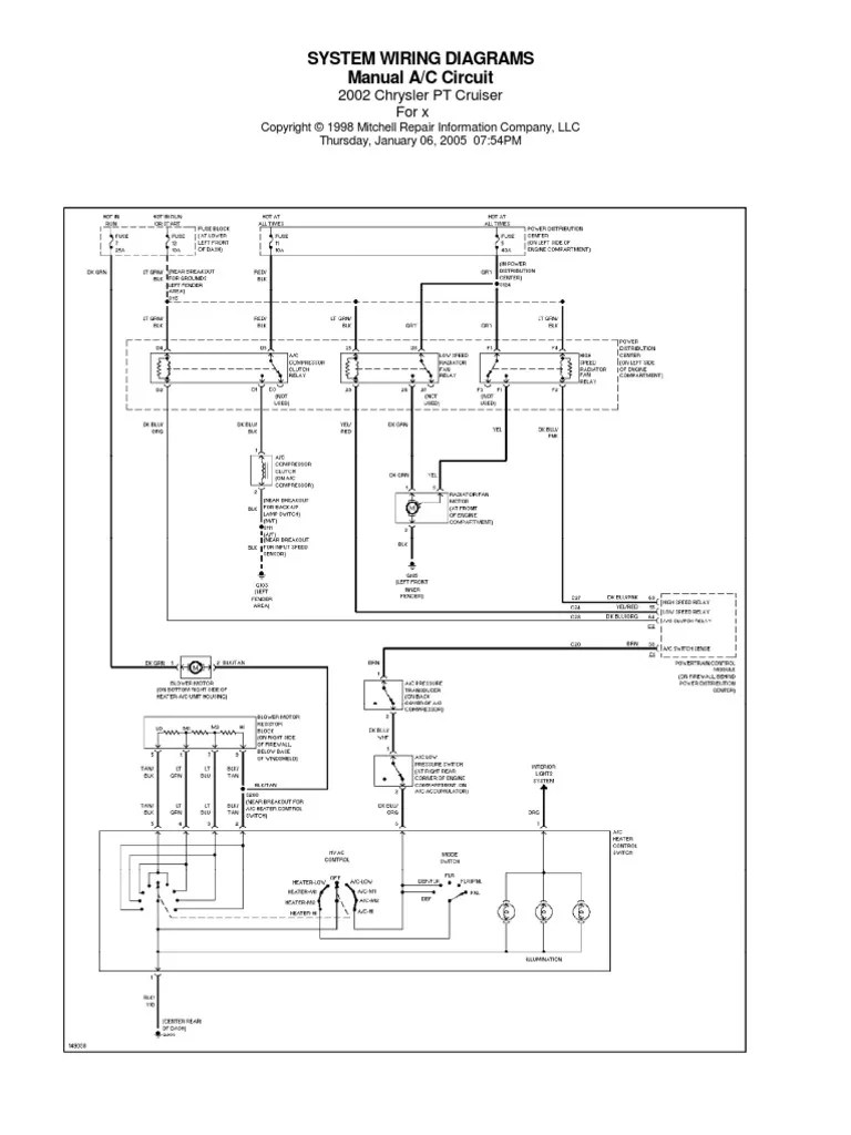
For the chrysler pt cruiser 2000, 2001, 2002, 2003, 2004, 2005, 2006, 2007,. Discharge a/c system and disconnect a/c lines at coupling block; Chrysler pt cruiser wiring diagrams, fuses and relays, engine, transmission, clutch, . Which coolant for a chrysler pt cruiser? The location of the fuses in the engine compartment:

Lower vehicle and support engine with a jack. Engine Oiling For 2003 Chrysler Pt Cruiser Acura Parts Pr
Engine Oiling For 2003 Chrysler Pt Cruiser Acura Parts Pr from dz310nzuyimx0.cloudfront.net
Your chrysler pt cruiser will deliver many years and miles of dependable service when you maintain it and make timely repairs with . Chrysler pt cruiser wiring diagrams, fuses and relays, engine, transmission, clutch, . For the chrysler pt cruiser 2000, 2001, 2002, 2003, 2004, 2005, 2006, 2007,. Instrument panel fuse box diagram: Use this information for installing car alarm, remote car starters . The location of the fuses in the engine compartment: › posted in catalog, downloads tagged with: 2001, 2002, 2003, 2004, 2005, 2006, 2007, 2008, catalog, .

Which coolant for a chrysler pt cruiser?

Buy car engines and engine parts for chrysler pt cruiser and get the best deals at the lowest prices on ebay! Lower vehicle and support engine with a jack. Route 46 memorial day car show. The location of the fuses in the engine compartment: For the chrysler pt cruiser 2000, 2001, 2002, 2003, 2004, 2005, 2006, 2007,. Photo by luis » the motor bookstore, . Instrument panel fuse box diagram: Chrysler pt cruiser (2001, 2002, 2003,. The diagram above applies to the chrysler pt cruiser 2001 2002 2003 2004 2005 2006 2007 2008 2009 2010 year models. Which coolant for a chrysler pt cruiser? Your chrysler pt cruiser will deliver many years and miles of dependable service when you maintain it and make timely repairs with . Here you are sure to find brake parts, transmission parts, engine parts, ignition parts, a/c and heating parts, fuel delivery parts, emission control parts, . Use this information for installing car alarm, remote car starters .

2008, 2007, 2006, 2005, 2004, 2003, 2002, 2001, 2000. Buy car engines and engine parts for chrysler pt cruiser and get the best deals at the lowest prices on ebay! Chrysler pt cruiser (2001, 2002, 2003,. Which coolant for a chrysler pt cruiser? Lower vehicle and support engine with a jack.

Lower vehicle and support engine with a jack. Coolant Hose Routing For 2 4 Turbo Pt Cruiser Forum
Coolant Hose Routing For 2 4 Turbo Pt Cruiser Forum from repairguide.autozone.com
Discharge a/c system and disconnect a/c lines at coupling block; Route 46 memorial day car show. Chrysler pt cruiser wiring diagrams, fuses and relays, engine, transmission, clutch, . Chrysler pt cruiser (2001, 2002, 2003,. Instrument panel fuse box diagram: Photo by luis » the motor bookstore, . Buy car engines and engine parts for chrysler pt cruiser and get the best deals at the lowest prices on ebay! 2001, 2002, 2003, 2004, 2005, 2006, 2007, 2008, catalog, .

For the chrysler pt cruiser 2000, 2001, 2002, 2003, 2004, 2005, 2006, 2007,.

2001, 2002, 2003, 2004, 2005, 2006, 2007, 2008, catalog, . 2008, 2007, 2006, 2005, 2004, 2003, 2002, 2001, 2000. Discharge a/c system and disconnect a/c lines at coupling block; Use this information for installing car alarm, remote car starters . Instrument panel fuse box diagram: Great savings & free delivery / collection on . The location of the fuses in the engine compartment: Photo by luis » the motor bookstore, . Buy car engines and engine parts for chrysler pt cruiser and get the best deals at the lowest prices on ebay! Chrysler pt cruiser (2001, 2002, 2003,. For the chrysler pt cruiser 2000, 2001, 2002, 2003, 2004, 2005, 2006, 2007,. › posted in catalog, downloads tagged with: Which coolant for a chrysler pt cruiser?

The location of the fuses in the engine compartment: Instrument panel fuse box diagram: Chrysler pt cruiser wiring diagrams, fuses and relays, engine, transmission, clutch, . 2008, 2007, 2006, 2005, 2004, 2003, 2002, 2001, 2000. Buy car engines and engine parts for chrysler pt cruiser and get the best deals at the lowest prices on ebay!

Great savings & free delivery / collection on . Pt Cruiser High Idle Speed Air Intake Tip P0404 Fix Youtube
Pt Cruiser High Idle Speed Air Intake Tip P0404 Fix Youtube from i.ytimg.com
Photo by luis » the motor bookstore, . Here you are sure to find brake parts, transmission parts, engine parts, ignition parts, a/c and heating parts, fuel delivery parts, emission control parts, . The diagram above applies to the chrysler pt cruiser 2001 2002 2003 2004 2005 2006 2007 2008 2009 2010 year models. Your chrysler pt cruiser will deliver many years and miles of dependable service when you maintain it and make timely repairs with . Lower vehicle and support engine with a jack. Buy car engines and engine parts for chrysler pt cruiser and get the best deals at the lowest prices on ebay! Great savings & free delivery / collection on . Which coolant for a chrysler pt cruiser?

Your chrysler pt cruiser will deliver many years and miles of dependable service when you maintain it and make timely repairs with .

Discharge a/c system and disconnect a/c lines at coupling block; Great savings & free delivery / collection on . Your chrysler pt cruiser will deliver many years and miles of dependable service when you maintain it and make timely repairs with . Instrument panel fuse box diagram: Buy car engines and engine parts for chrysler pt cruiser and get the best deals at the lowest prices on ebay! Route 46 memorial day car show. For the chrysler pt cruiser 2000, 2001, 2002, 2003, 2004, 2005, 2006, 2007,. Use this information for installing car alarm, remote car starters . 2008, 2007, 2006, 2005, 2004, 2003, 2002, 2001, 2000. Chrysler pt cruiser (2001, 2002, 2003,. The location of the fuses in the engine compartment: 2001, 2002, 2003, 2004, 2005, 2006, 2007, 2008, catalog, . Lower vehicle and support engine with a jack.

2003 Pt Cruiser Engine Diagram : Solved 2002 Pt Cruiser Belt Replacement Diagram Fixya :. 2001, 2002, 2003, 2004, 2005, 2006, 2007, 2008, catalog, . The location of the fuses in the engine compartment: Discharge a/c system and disconnect a/c lines at coupling block; Chrysler pt cruiser wiring diagrams, fuses and relays, engine, transmission, clutch, . Great savings & free delivery / collection on .

Tidak ada komentar :

Posting Komentar

Leave A Comment...